芯路恒电子技术论坛

 找回密码
 立即注册

微信扫码登录

手机号码,快捷登录

手机号码,快捷登录

热搜: 合集
查看: 4855|回复: 2

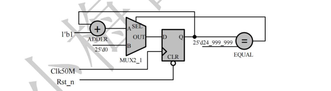
看RTL视图时二选一选择器怎么设置成只显示一个模块跟文档里的这种一样,而不是所有的位都是一个模块的形式

[复制链接]
  • TA的每日心情
    开心
    2022-11-25 09:15
  • 1

    主题

    2

    帖子

    41

    积分

    新手上路

    Rank: 2

    积分
    41
    发表于 2022-11-22 17:14:08 | 显示全部楼层 |阅读模式

    微信图片_20221122171310.png微信图片_20221122171249.png

    回复

    使用道具 举报

  • TA的每日心情
    慵懒
    2021-2-24 10:16
  • 450

    主题

    845

    帖子

    1万

    积分

    管理员

    Rank: 9Rank: 9Rank: 9

    积分
    16523
    QQ
    发表于 2022-11-23 09:47:11 | 显示全部楼层
    软件版本问题,13.0就是你想要的效果
    回复 支持 反对

    使用道具 举报

  • TA的每日心情
    开心
    2022-11-25 09:15
  • 1

    主题

    2

    帖子

    41

    积分

    新手上路

    Rank: 2

    积分
    41
     楼主| 发表于 2022-11-25 09:02:59 | 显示全部楼层
    admin 发表于 2022-11-23 09:47
    软件版本问题,13.0就是你想要的效果

    我现在用的就是13.1版本,RTL图就是第二幅图,看起来太别扭了。不知道QUARTUS能不能同时装两个版本
    回复 支持 反对

    使用道具 举报

    您需要登录后才可以回帖 登录 | 立即注册

    本版积分规则

    QQ|小黑屋|Archiver|芯路恒电子技术论坛 |鄂ICP备2021003648号

    GMT+8, 2025-11-22 06:33 , Processed in 0.052809 second(s), 32 queries .

    Powered by Discuz! X3.4

    © 2001-2017 Comsenz Inc. Template By 【未来科技】【 www.wekei.cn 】

    快速回复 返回顶部 返回列表